Kan het nog duurzamer?

Melkveebedrijf & Kalverhouderij Beyens-Slegers

Ravels, Belgie

Installatie: Deze warmwater installatie werd geleverd door Tegalo BvbA en is door A.O. Smith in bedrijf genomen.

“In deze sector is deze installatie één van de eerste in zijn soort. Melkveebedrijf & Kalverhouderij Beyens-Slegers verlaagt daarmee de stikstofoxide uitstoot enorm en dat wordt steeds belangrijker in de veehouderij”Jos Verbeeck

Het dak van de stal ligt vol met zonnepanelen én er stond al een windmolen van 100 kW. Voor de eigenaar van Melkveebedrijf & Kalverhouderij Beyens-Slegers in Ravels (België) was het nog niet genoeg. Hij wilde nog duurzamer en voor 100% op elektriciteit verwarmen. Door goed advies van de installateur Jos Verbeeck koos hij voor een warmtepomp. Deze warmtepomp vervangt een boiler in een houtgestookt systeem.

Een warmtepomp is erg energiezuinig; Als je het vergelijkt met een elektrische boiler gaat er in de geïnstalleerde warmtepomp 4,1 keer minder elektriciteit om dezelfde hoeveelheid water op te warmen. Een COP van 4,1 dus. Overigens is de COP in deze situatie maar 2,6 omdat we hier niet alleen voorzien in lage temperatuur verwarming, maar juist ook sanitair warm water van heel hoge temperatuur. In dat geval loopt de overall COP terug.

Maar, een warmtepomp gebruikt dus nog minder energie en is daarmee nog beter voor het milieu want ook volledig groen opgewekte elektriciteit hoeft niet verspild te worden.

Wij leverden de volgende producten:

  • Enevator Air Standard (AWHS 140 SLN)
  • Enevator Aqua Booster (WWHB 45)
  • 1.000 liter voorraadvat (ST 1000)
  • 2.500 liter voorraadvat (ST 2500)
schema van Kalverstal

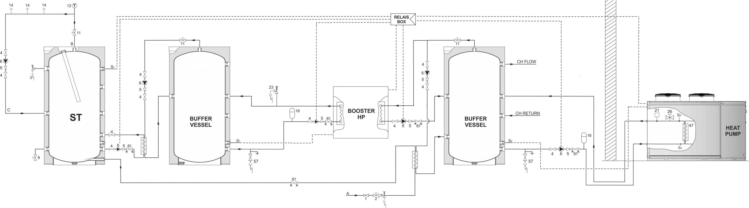
De basis is een Enevator Air Standard. Een lucht/water warmtepomp met capaciteiten van 22 tot 463 kW en een COP van 4,6. Deze warmtepomp wordt buiten opgesteld en kan warm water produceren tot 60°C. 3 energetische EC ventilatoren worden in toeren geregeld om steeds een optimaal rendement te garanderen. Het ‘Floating Frame’ zorgt voor een zeer beperkt geluidsniveau. 

In dit project verwarmt de buiten opgestelde Enevator Air Standard het water in één van de voorraadvaten tot een maximum van 45°C. De Enevator Aqua Booster verwarmt vervolgens het reeds voorverwarmde water verder op tot een temperatuur van ca. 75°C. Deze temperatuur is in een veehouderij belangrijk om melktanks en dergelijke hygiënisch en veilig te kunnen reinigen. In deze situatie wordt het water van 75°C gebruikt voor het bereiden van het voer (melkpapje) voor de kalveren. Wat dus weer een hele interessante toepassing is.

Deel dit artikel

  • 20230804_162403-scaled-1.jpg
  • 20230503_094954-scaled-1.jpg
  • 20230503_090906-scaled-1.jpg
  • 20230804_162717-scaled-1.jpg
  • 20230804_161922-scaled-1.jpg

De basis is een Enevator Air Standard. Een lucht/water warmtepomp met capaciteiten van 22 tot 463 kW en een COP van 4,6. Deze warmtepomp wordt buiten opgesteld en kan warm water produceren tot 60°C. 3 energetische EC ventilatoren worden in toeren geregeld om steeds een optimaal rendement te garanderen. Het ‘Floating Frame’ zorgt voor een zeer beperkt geluidsniveau.

In dit project verwarmt de buiten opgestelde Enevator Air Standard het water in één van de voorraadvaten tot een maximum van 45°C. De Enevator Aqua Booster verwarmt vervolgens het reeds voorverwarmde water verder op tot een temperatuur van ca. 75°C. Deze temperatuur is in een veehouderij belangrijk om melktanks en dergelijke hygiënisch en veilig te kunnen reinigen. In deze situatie wordt het water van 75°C gebruikt voor het bereiden van het voer (melkpapje) voor de kalveren. Wat dus weer een hele interessante toepassing is.

“Ik merk dat in sommige branches nog niet voldoende bekend is dat een warmtepomp zoveel water op zo’n hoge temperatuur kan brengen. Daar hebben we als installateur en fabrikant nog veel werk te doen” –  Jos Verbeeck

De Enevator Aqua Booster is een water/water warmtepomp die binnen wordt opgesteld en het hoogste rendement behaalt bij het verwarmen van reeds verwarmd water (COP tot 5,8)

Vanuit de Enevator Aqua Booster wordt een tweede voorraadvat op hoge temperatuur gebracht .

Advies op maat nodig? 

Producten gebruikt in deze oplossing

  • Enevator Air Standard

  • Enevator Aqua Booster

  • ST – Voorraadvat

Verwante projecten

Het Scheepvaartmuseum ‘vaart’ een duurzame koers

  Sector: Publieke sector / Vrijtijdssector Soort project: Vervanging, verduurzamen Sales Engineer A.O. Smith: Ronald BatenburgIn samenwerking met:KuijpersProjectleider Kuijpers: Dirk de Jong Het motto van […]

Slimme oplossing voorziet houten hotel in warmwater piek

  In samenwerking met: Installatie: HPG W-Installatietechniek Soort project: Nieuwbouw Sector: Hotel Aantal kamers: 172 Sales Engineer A.O. Smith: Ronald Batenburg   Een grote warmwater […]

Warmtepomp Verhoogt Efficiëntie in Innovatief Distributiecentrum

    In samenwerking met: Dit distributiecentrum is in 2007 geopend in Laakdal. Bij de bouw is duurzaamheid tot in de puntjes uitgedacht. Zo wordt […]

SV Nieuwleusen

In samenwerking met: Projectleider: Hilco de Weerd Bedrijf: SV Nieuwleusen We doen het goed of we doen het niet. Bij de renovatie van het gebouw […]

Scroll naar boven